商品詳細
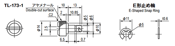
栃木屋 ファスナー TL-173-1
【注意】現品は商品画像と色が異なる場合がございます。

栃木屋 ファスナー TL-173-1
栃木屋 ファスナー TL-173-1
特徴を見る
- 表面処理
-
---
栃木屋 ファスナー TL-173-1 の商品一覧
| サイズ | 表面処理 | 入数(単価:税込) ※最小販売条件:1小箱・袋〜 | 在庫
|
バラ | 購入数量 | ご購入・ お問い合わせ |
|---|---|---|---|---|---|---|
| ファスナー TL-173-1 6R0012300000000000 |
--- |
小箱:1個(753.61円/個)
※最小販売条件:1 小箱・袋~ |
取寄
|
×
|
個
発送:12営業日以内
取寄品の為、表示納期の変更の場合はご連絡致します。
小計(税込):¥
|
1件 見つかりました
栃木屋 ファスナー TL-173-1