日本最大級のねじ・ボルト・ナットのねじ販売・情報サイトねじNo.1.com

検索方法:

すべての条件で いずれかの条件で
重要中東情勢の影響に伴う商品供給に関するお願い

商品詳細

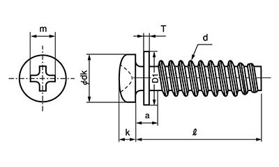
ステンレス(+)ナベ頭 タッピンねじ(2種溝なし B-0形) P=1 (JIS平座 組込)

ステンレス(+)ナベ頭 タッピンねじ(2種溝なし B-0形) P=1 (JIS平座 組込)

【注意】現品は商品画像と色が異なる場合がございます。

商品画像
スワイプ スワイプ

ステンレス(+)ナベ頭 タッピンねじ(2種溝なし B-0形) P=1 (JIS平座 組込)

ステンレス製のJIS2種で、先端に溝なし(切込み無)B0形のタッピン(タッピング)ねじのなべ頭形状です。
なべ頭形状のねじに平座金が組込れて外れない形状です。
ステンレス鋼なので耐食性、耐熱性に優れています。

■寸法■
サイズはねじ径x首下長さmmです。(全長ではありません。)

■形状■
先端の2山から2.5山がテーパーになっており、ピッチは1種タッピンより細かいです。

■特長■
タッピンねじとは、相手材(主に鋼材)に下穴を開けた所に、ねじ自らねじ立てをしながら締め付けを行うねじのことです。
ねじ立て作業の手間を省き、ねじにガタつきがない為、ゆるみにくいのが特長です。
下穴の寸法は、材質や板厚等により作業性を重視すると大きめに、締め付け強さを重視の場合は小さめの穴サイズとなります。

■用途■
薄鋼板及び厚板(5mm以下)、非金属、樹脂、硬質ゴム等


タッピンねじの特徴についてはこちらをご参照ください。

規格

ステンレス(+)ナベ頭 タッピンねじ(2種溝なし B-0形) P=1 (JIS平座 組込)

ステンレス(+)ナベ頭 タッピンねじ(2種溝なし B-0形) P=1 (JIS平座 組込)

表面処理
生地(素材)
もっと見る
呼び
径4
長さ
12
ステンレス(+)ナベ頭 タッピンねじ(2種溝なし B-0形) P=1 (JIS平座 組込) の商品一覧
条件から絞り込む フリーワードで絞り込む
呼び
長さ

1件 見つかりました

表示件数:

サイズ 表面処理 入数(単価:税込) ※最小販売条件:1小箱・袋〜 在庫
:大箱入数分の在庫あり
:小箱入数分の在庫あり
:バラの在庫あり
取寄
:取り寄せ対応
製作
:製作対応
×
:在庫無し
バラ 購入数量 ご購入・
お問い合わせ
径4x12


210207010040012000コピーアイコン
生地(素材) バラ:1個(23円/個)
小箱:1000個(13.19円/個)
大箱:10000個(12.56円/個)

※最小販売条件:12 個〜

:大箱入数分の在庫あり
:小箱入数分の在庫あり
:バラの在庫あり
取寄
:取り寄せ対応
製作
:製作対応
×
:在庫無し
発送:2営業日以内

単価
:¥ -
バラ
-
小箱
-
大箱
-
小計(税込):¥
お問い合わせ

表示件数:

1件 見つかりました